Cylinder Head Bolt Kit - 10 Piece - Subaru Sambar Truck TT1, TT2 Models - 1999-2012
This dual camera and rear view mirror combo works flawlessly and is an outstanding value. I have just recently installed it in my Honda Vamos van. It works beautifully both day and night. A surprise benefit is that it sees both lanes to the left and right of my freeway travel lane. A great visual enhancement especially at night.
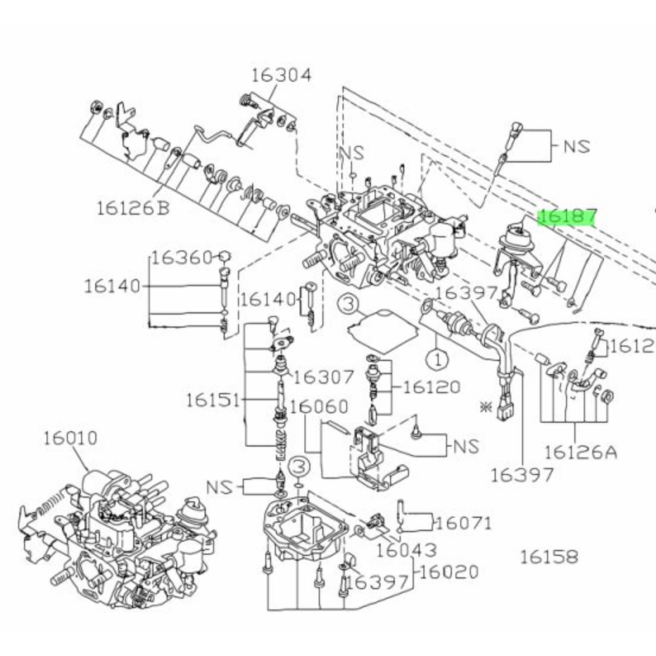
Fuel Filter - Type B - Genuine - Subaru Sambar Truck TT1, TT2 Models - 1999-2012
Intake Valve - Subaru Sambar Truck TT1, TT2 Models - 1999-2012 - 13201KA103
Engine Valve Spring - Subaru Sambar Truck TT1, TT2 Models - 8 Pack - 1999-2012
I had called and let them know that I got two cam seal instead of one cam
And one crank. The seal was ship right away. Thanks guys. Really appreciate the good job
Exhaust Valve - Subaru Sambar Truck TT1, TT2 Models - 1999-2012
Distributor - Remanufactured - Honda Acty Truck HA3, HA4 Models - 1990-1999
Good parts fast turn around
The kit was exactly what I was hoping it would be. quality parts that fit perfectly! made my KS4 run smooth and strong again.









































